A KNX konferencián elhangzott elõadásból készült rövid kivonat.
Megújuló energiaforrások
- Napenergia (napkollektor, napcella)
- Szélenergia
- Hõszivattyúk
- Biomassza, faapríték
- Vízenergia
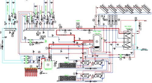
Napenergia és KNX rendszerek kapcsolata

Napkollektorok esetén:
- A megtermelt energia intelligens szétosztása
- Termelt energia mérése, adatgyûjtés, üzemeltetési adatok kiértékelése
- Esetleges feleslegek kezelése
Napcella esetén:
- A lehetõségekhez mért maximális energiatermelés
- Visszatáplálás a hálózatba
- Termelt energiák mérése, kiértékelés
Napkollektorok szabályozása
Kapcsolat a napcellákkal

Napcellák adatainak kiértékelése
Hõszivattyúk és a KNX
- levegõ
- talajszonda
- víz
- jóság/COP

- Üzem és hibajelek kezelése
- Üzemmódok feldolgozása
- Fûtési körök szabályozása
- Hûtési körök szabályozása
- Különbözõ hõelõállító berendezések menedzselése
- Medencék kiszolgálása
- Termelt és felvett energia-figyelés
- Monovalens/bivalens üzem
Biomassza és a KNX

- Faelgázosító kazánok
- Vízteres kandallók
Megújuló energiák és a KNX viszonya
- Bonyolult gépészeti rendszerek
- „Dobozok”, mint vezérlõk
- Érzékelés, szabályozás, vezérlés
- Mérés, kiértékelés, beszabályozás